传统内燃机汽车与混合动力电动汽车(HEV)或电动汽车(EV)之间的关键区别之一是存在多个电池和电压水平。内燃机由单个12V或24V蓄电池运行,通常为铅酸蓄电池。但混合动力汽车和电动汽车使用的是二次高压电池,其电压范围从混合动力汽车的48V到电动汽车的400V到800V。
多个电压等级的存在需要隔离,以保护低压电路免受高压的影响。显然,400V及以上的电池需要隔离,但在48V轻度混合动力系统中需要隔离吗?
48V HEV中的隔离
即使电压不高达400伏或800伏,隔离对于48伏混合动力车辆很重要的原因有几个,包括提高抗噪性和故障保护.图1显示了一个启动发电机系统,其中功率级(包括H桥和场效应晶体管(FET))位于48伏侧。这些场效应管的开关会引起电压瞬态(dv/dt),这可能会在48伏接地上产生一些共模噪声。在没有任何隔离的情况下,该噪声将与12-V侧耦合,并影响低压侧电路的信号完整性。如图1所示,通过在两侧之间添加隔离,可以提高共模瞬态抗扰度和信号完整性。
在图2中,电池管理系统(BMS)中的48伏电池组和微控制器(MCU)位于高压侧,而MCU使用控制器局域网(CAN)协议与电子控制单元通信。如果48伏侧有故障,电压可能出现在12伏侧。低压侧的电路组件(在这种情况下为CAN收发器)可能无法承受高压,并可能损坏。在低压侧的CAN收发器和高压侧的微控制器之间配备隔离器将确保低压电路的安全,即使高压侧存在故障。机动车电气和电子部件标准规定了故障电流测试(E48-20),其中测试电压施加在48-V/12-V安全栅上,12-V和48-V系统之间的预期电流必须小于1µa。隔离器的存在确保电流符合标准。
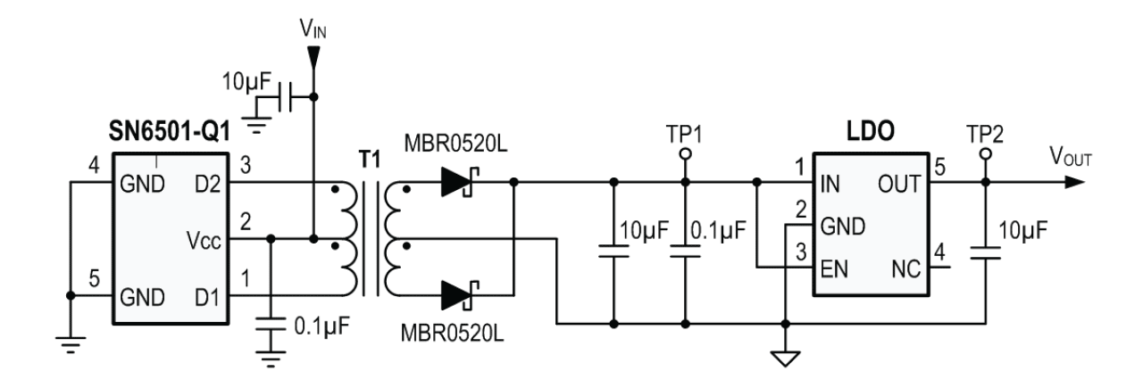
如果您正在设计48-V HEV系统并寻找与48-V侧接口的隔离装置,则48-V侧和12-V侧之间的通信有几个选项,具体取决于接口标准。对于需要串行外围接口(SPI)、通用异步收发器(UART)或12-V和48-V侧之间的通用输入/输出(GPIO)通信的设计,您可以使用数字隔离器,如ISO7741-Q1或ISO7721-Q1,具体取决于您需要的隔离通道数。当您使用I2C通信来保存信号记录道的数量时,隔离的I2C设备,如ISO1540-Q1(双向数据,双向时钟)或ISO1541-Q1(双向数据,单向时钟)将用于此目的。如果两侧之间存在CAN通信,并且需要隔离,则可以添加数字隔离器(如ISO7721-Q1)与CAN收发器串联,或使用集成隔离CAN设备(如ISO1042-Q1)以节省一些空间。数据通信只是解决方案的一部分。您还必须隔离两侧的电源,这可以使用反激、飞降压或推挽拓扑实现。对于局部电源(例如,隔离CAN收发器的电源),考虑变压器驱动器,如SN6501-Q1、SN6505A-Q1或SN6505B-Q1,可与外部变压器、整流器和低压差调节器一起使用,以生成简单的隔离电源,如图3所示。

SN6501-Q1、SN6505A-Q1或SN6505B-Q1之间的关键区别在于每个驱动器的输出电流、存在用于减少发射的扩频和不同的开关频率。这些选项使您能够选择正确的设备,以满足系统的排放标准和电源要求。虽然我在48伏混合动力电动汽车的背景下讨论了这些解决方案,但这些设备系列的隔离规范和更广泛的封装选项使这些系列也适用于具有更高电池电压的电动汽车。可以在电动汽车设计中重新使用HEV子系统的隔离部分,只需稍作修改,这可以节省设计和布局时间,PA视讯科技可以更多有关于更多数字隔离器应用参考和注意事项。